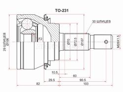
Артикул: ST-42450-12090
Бренд: SAT
Бренд: SAT
Товар на складе
3832 ₽
Самовывоз:
20.01.2026












































































