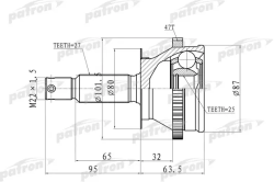
Артикул: PCV1108
Бренд: PATRON
Бренд: PATRON
Товар на складе
3284 ₽
Самовывоз:
30.03.2026





























































